行业新闻
当前位置: 首页 /

新闻动态

/

行业新闻

鲁米星专家团队发布团体标准T/CASME1321-2024《油气钻探作业用高压玻璃破裂盘》
时间:2025-04-29 17:37:14发布:金瑞鲁米星锅炉附件(上海)有限公司阅读:106
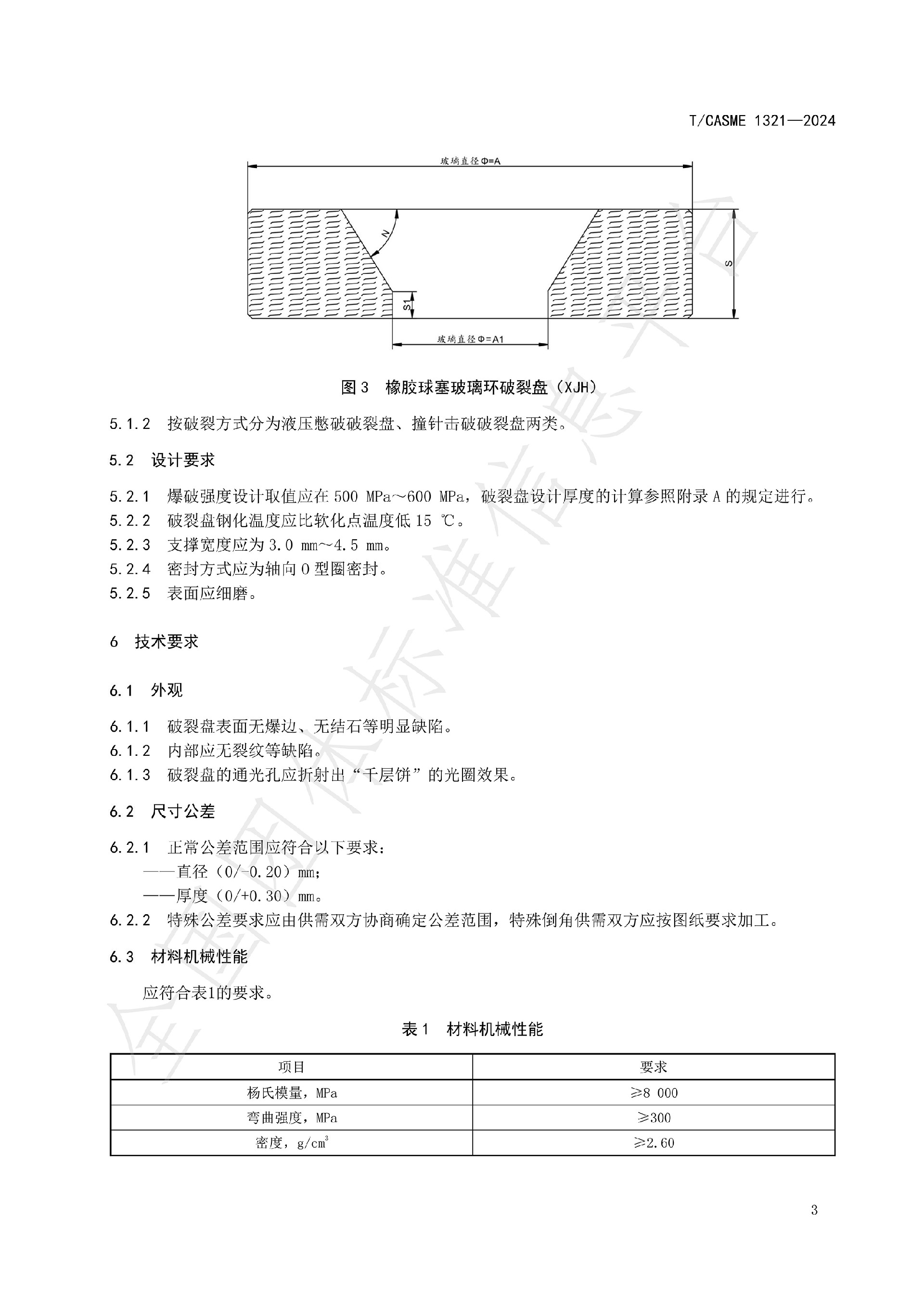
鲁米星专家团队在收集了大量的试验数据后,组织技术工程师编制了团体标准:T/CASME1321-2024《油气钻探作业用高压玻璃破裂盘》团体标准,为广大用户的选型提供了可靠的理论依据和破裂盘的各种款式的耐压爆破压力计算公式,目前由鲁米星公司编写的这套标准和生产的高压破裂盘已经得到了广大生产漂浮接箍企业的大量应用,占据了国内95%以上市场份额。

       在完井、水平井等下套施工中漂浮接箍的高压破裂盘起到了完美的盲板封堵作用,利用钢化处理后的高压玻璃到达压力后或者到达一定压力后利用剪切环的撞击,玻璃产生的粉末状颗粒物能被油气钻探过程中的泥浆带走的特点,可以实现全通径的爆破,使下套管能快速下套,大幅度缩短下套管的作业时间。

       漂浮接箍在国产化之前,进口的装备都是几十上百万的费用,渤海钻探、川庆钻探、西部钻探等工程院纷纷与鲁米星特种玻璃科技股份有限公司建立产学研公关试验团队,由鲁米星开发出来的高压玻璃破裂盘完美地应用到了各大油气钻探工程研究院的钻井单位,节约了大量的外汇开支。鲁米星专家团队在收集了大量的试验数据后,组织技术工程师编制了团体标准:T/CASME1321-2024《油气钻探作业用高压玻璃破裂盘》团体标准,为广大用户的选型提供了可靠的理论依据和破裂盘的各种款式的耐压爆破压力计算公式,目前由鲁米星公司编写的这套标准和生产的高压破裂盘已经得到了广大生产漂浮接箍企业的大量应用,占据了国内95%以上市场份额。

1321-油气钻探作业用高压玻璃破裂盘(1)_00.jpg1321-油气钻探作业用高压玻璃破裂盘(1)_01.jpg1321-油气钻探作业用高压玻璃破裂盘(1)_02.jpg1321-油气钻探作业用高压玻璃破裂盘(1)_03.jpg1321-油气钻探作业用高压玻璃破裂盘(1)_04.jpg1321-油气钻探作业用高压玻璃破裂盘(1)_05.jpg1321-油气钻探作业用高压玻璃破裂盘(1)_06.jpg1321-油气钻探作业用高压玻璃破裂盘(1)_07.jpg1321-油气钻探作业用高压玻璃破裂盘(1)_08.jpg1321-油气钻探作业用高压玻璃破裂盘(1)_09.jpg1321-油气钻探作业用高压玻璃破裂盘(1)_10.jpg


推荐产品
浏览更多产品
玻璃管视盅
所属行业:管道视镜、视盅、视液镜
视液镜
所属行业:管道视镜、视盅、视液镜
机床用防爆玻璃
所属行业:防弹防爆玻璃 机床防爆玻璃
防爆炸玻璃
所属行业:防弹防爆玻璃 机床防爆玻璃
A60  A0级船用防火玻璃
所属行业:防弹防爆玻璃 机床防爆玻璃
钢铁、焦炭车间高温防爆玻璃
所属行业:防弹防爆玻璃 机床防爆玻璃
锅炉房防爆炸玻璃
所属行业:防弹防爆玻璃 机床防爆玻璃
钢化硼硅管
所属行业:高温高压玻璃管、 高压有机管
微信二维码
微信联系
微信二维码
咨询热线
13913881132
联系地址
上海市闵行区闵北路88弄1-30号104幢
返回顶部